RN46A-B14


RN46A-B14
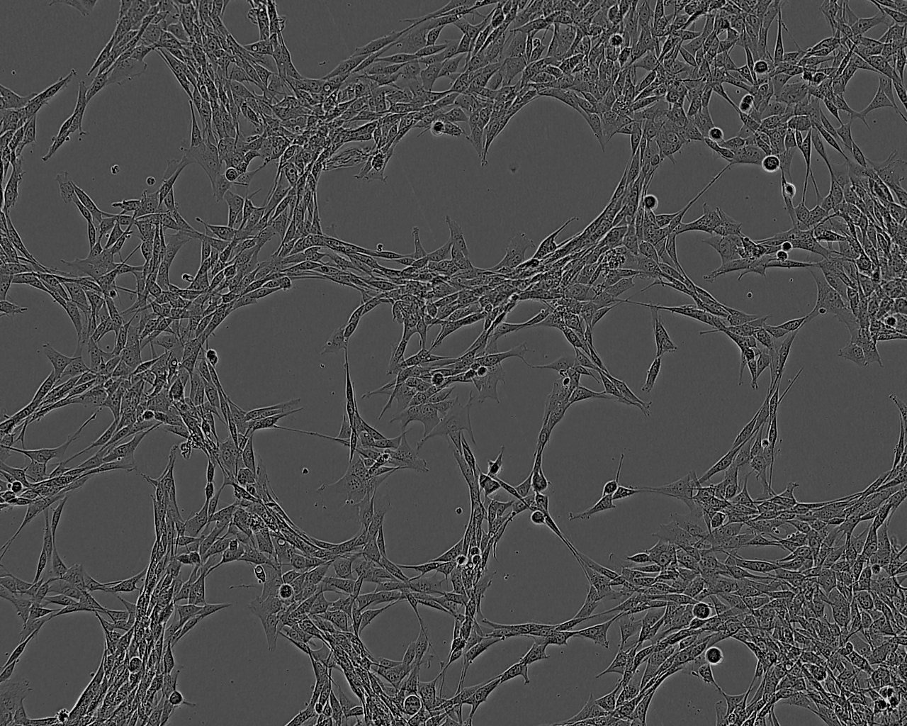
Cell Line Name
Cell Line Description
General Info
Species
Links
Cellosaurus: CVCL_U016
Release Conditions
Characteristics
Tissue of Origin
Morphology
Disease
Culture Conditions
Cell Type
Subculture Routine
Culture Medium
Growth Mode
Additional Info
Depositor
Country of Origin
GMO Status
Hazard Group (ACDP)
Applications
References
Bibliography
Documents
Images
Available Formats
- Frozen
- DNA-5µg (100ng/µl)
Citation Guidance
If use of this culture results in a scientific publication, it should be cited in the publication as: RN46A-B14 (ECACC 12061303).
Biosafety Information
Unless specified otherwise, at ECACC we routinely handle all of our cell lines at containment level 2 in accordance with the ACDP guidelines (Advisory Committee on Dangerous Pathogens) (UK). All cell cultures have the potential to carry as yet unidentified adventitious agents. It is the responsibility of the end user to ensure that their facilities comply with biosafety regulations for their own country. ACDP Guidance: Biological agents: Managing the risks in laboratories and healthcare premises.
Further Information
The Culture Collections represent deposits of cultures from world-wide sources. While every effort is made to ensure details distributed by Culture Collections are accurate, Culture Collections cannot be held responsible for any inaccuracies in the data supplied. References where quoted are mainly attributed to the establishment of the cell culture and not for any specific property of the cell line, therefore further references should be obtained regarding cell culture characteristics. Passage numbers where given act only as a guide and Culture Collections does not guarantee the passage number stated will be the passage number received by the customer.
Cultures supplied by Culture Collections are for research purposes only. Enquiries regarding the commercial use of a cell line are referred to the depositor of the cell line. Some cell lines have additional special release conditions such as the requirement for a material transfer agreement to be completed by the potential recipient prior to the supply of the cell line. Please view the Terms & Conditions of Supply for more information.